Inicio
Nosotros
Productos
Equipos Neumáticos
Equipos de Proceso
Equipos de Medición
Contáctanos
Blog
Select Page
Home
/
VALVULA DE PROCESO 2
/ VÁLVULA MARIPOSA CON ACTUADOR
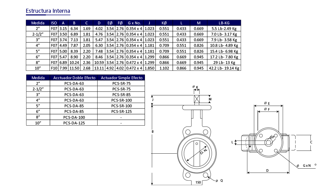
VÁLVULA MARIPOSA CON ACTUADOR
Categoría:
VALVULA DE PROCESO 2
Productos relacionados
VÁLVULA DE COMPUERTA INOX
VÁLVULA CHECK TIPO SWING
VÁLVULA DE GLOBO INOX